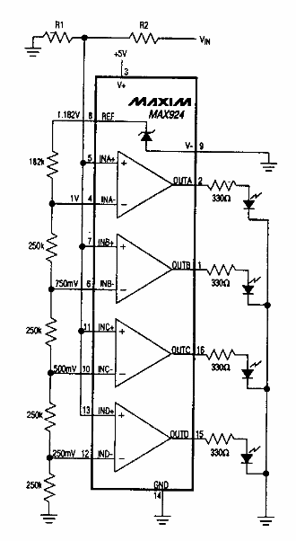
Encontrado en una documentación de Maxim, este circuito de la década de 1980 impulsa 4 LED en una escala de barras. El circuito no requiere una fuente simétrica y la referencia de tensión para la activación viene dada por R1 y R2.

Gráfico de barras
Encontrado en una documentación de Maxim, este circuito de la década de 1980 impulsa 4 LED en una escala de barras. El circuito no requiere una fuente simétrica y la referencia de tensión para la activación viene dada por R1 y R2.
