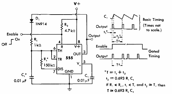
Este circuito es de un cookbook de timers. El circuito es disparado por una señal externa y, con los componentes indicados, su frecuencia es de 1 kHz. La alimentación puede oscilar entre 5 y 15 V y la frecuencia máxima es del orden de 500 kHz.

Este circuito es de un cookbook de timers. El circuito es disparado por una señal externa y, con los componentes indicados, su frecuencia es de 1 kHz. La alimentación puede oscilar entre 5 y 15 V y la frecuencia máxima es del orden de 500 kHz.
