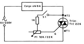
El circuito que damos a continuación tiene dos aplicaciones posibles: se puede utilizar para controlar una lámpara con un interruptor de baja capacidad de corriente, como un interruptor reed con un máximo de 500 mA o para probar Triacs que puedan soportar la tensión del local. red. Su funcionamiento es sencillo: cuando el interruptor está cerrado, la tensión de disparo se aplica a la compuerta del Triac y se enciende alimentando la lámpara utilizada como carga. El potenciómetro de alambre de 22K se utiliza para ajustar la intensidad de la corriente de disparo para que sea lo más pequeña posible.




