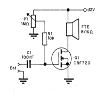
El circuito que se muestra a continuación muestra una aplicación lineal del FET de potencia, donde lo usamos como un amplificador de Clase A, con una salida cercana a los 2 watts en un altavoz pequeño. El trimpot debe ajustarse para obtener una corriente de reposo de aproximadamente 50 a 100 mA en el altavoz. De esta manera, la tensión en el drenaje del transistor será diferente de la alimentación. Las variaciones en la tensión de base producirán variaciones en la corriente de drenaje con la reproducción de la señal con excelente fidelidad. El circuito utiliza cualquier FET de potencia con tensión de fuente de drenaje superior a 100 V y corriente superior a 3 amperes.




