Este circuito es de la documentación de los años 90. Los circuitos integrados son de esa época. El circuito se puede adaptar para funcionar con componentes equivalentes modernos.

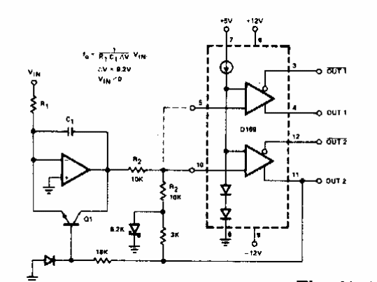
Convertidor de tensión a frecuencia
Este circuito es de la documentación de los años 90. Los circuitos integrados son de esa época. El circuito se puede adaptar para funcionar con componentes equivalentes modernos.
