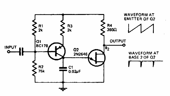
Este VCO con componentes discretos se encontró documentación de la década de 1980. La frecuencia central con los componentes indicados es de 8 kHz. Se puede utilizar un BC548 para Q1.

Oscilador controlado por tensión
Este VCO con componentes discretos se encontró documentación de la década de 1980. La frecuencia central con los componentes indicados es de 8 kHz. Se puede utilizar un BC548 para Q1.
