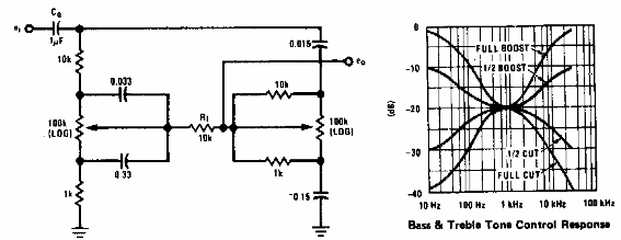
Este circuito de control de tono se puede agregar a cualquier configuración de amplificador activo. La curva de rendimiento se muestra junto al diagrama.

Control de tono pasivo
Este circuito de control de tono se puede agregar a cualquier configuración de amplificador activo. La curva de rendimiento se muestra junto al diagrama.
