Este circuito fue encontrado en documentación de la década de 1980. El circuito integrado es de la época y la tensión depende de la potencia deseada, por lo que se debe consultar la ficha técnica del componente.

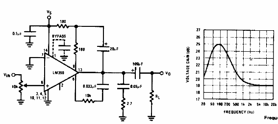
Amplificador de refuerzo de graves
Este circuito fue encontrado en documentación de la década de 1980. El circuito integrado es de la época y la tensión depende de la potencia deseada, por lo que se debe consultar la ficha técnica del componente.
