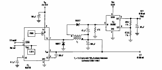
Este circuito, que se encuentra en un diseño electrónico de los años 90, proporciona una salida adicional de 12 V a un regulador de 5 V. La corriente máxima es de 200 mA.

Salida de 12 V para reguladores de 5 V CIR20341S
Este circuito, que se encuentra en un diseño electrónico de los años 90, proporciona una salida adicional de 12 V a un regulador de 5 V. La corriente máxima es de 200 mA.
