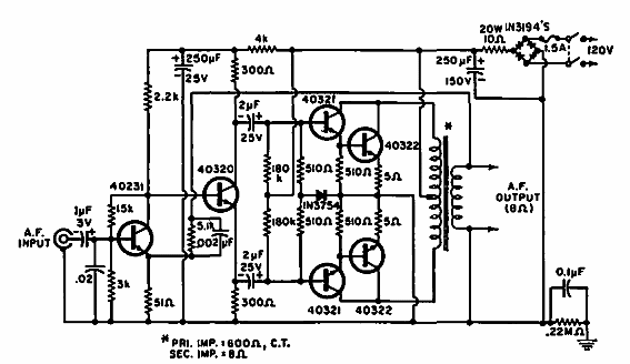
Este circuito, que se encuentra en un mundo de la electrónica de 1966, está diseñado para usarse con un micrófono como caja amplificada. Los transistores son de la época y no se da información sobre el transformador.

Amplificador de megafonía de 25 W



