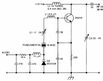
Este circuito produce una señal que es el doble de la frecuencia del cristal utilizado. El circuito también tiene una entrada de audio para modulación de frecuencia. Encontramos este circuito en la documentación estadounidense de la década de 1980. Se pueden usar transistores equivalentes.

Oscilador doblador de cristal



