Este circuito puede generar señales de 20 a 100 MHz, dependiendo del cristal utilizado. El circuito es de documentación estadounidense. Se pueden utilizar transistores equivalentes.

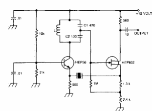
Oscilador Butler
Este circuito puede generar señales de 20 a 100 MHz, dependiendo del cristal utilizado. El circuito es de documentación estadounidense. Se pueden utilizar transistores equivalentes.
