Encontramos este circuito en documentación de la década de 1980. Los componentes utilizados pueden ser reemplazados por equivalentes modernos. La fuente debe ser simétrica.

Referencia de tensión dual
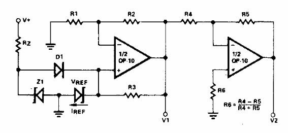
Encontramos este circuito en documentación de la década de 1980. Los componentes utilizados pueden ser reemplazados por equivalentes modernos. La fuente debe ser simétrica.
