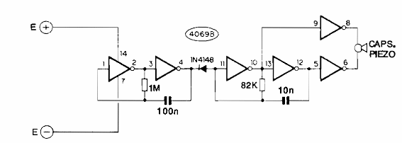
En la figura tenemos un circuito de accionamiento de transductor piezoeléctrico que se puede utilizar junto con el circuito anterior o en otras aplicaciones similares. El circuito se puede alimentar con tensiones de 3 a 12 V y la frecuencia de los sonidos se puede cambiar cambiando los capacitores.

Zumbador CMOS



