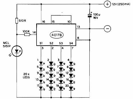
Este circuito impulsa 4 secuencias de 5 LED que pueden ser de cualquier color. La frecuencia depende de las características del fotosensor. El circuito es de una documentación de los 80.

Secuencial 20 LEDs
Este circuito impulsa 4 secuencias de 5 LED que pueden ser de cualquier color. La frecuencia depende de las características del fotosensor. El circuito es de una documentación de los 80.
