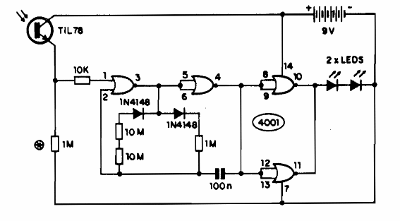
Encontramos este circuito en una documentación antigua. Lo que hace es hacer parpadear dos leds cuando cae la noche o cuando se corta la luz que incide sobre el fotosensor. El circuito funciona con batería. Es conveniente conectar un resistor de 1k en serie con los LED para limitar la corriente.

Luz de nocturna LED



