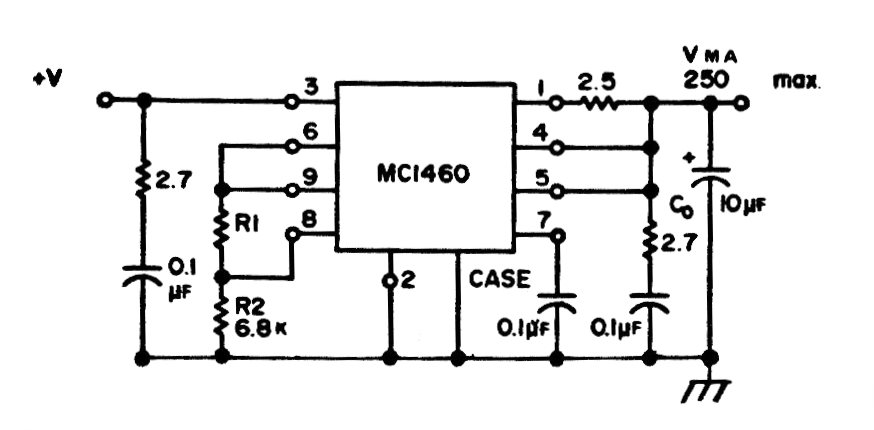
La tensión de entrada máxima de este circuito es de 20 V y la corriente de salida es de 250 mA. El circuito es de documentación antigua. El circuito integrado utilizado ya no es común en nuestro tiempo.

 

Regulador MC1460
Regulador MC1460 | Haga click en la imagen para ampliar |