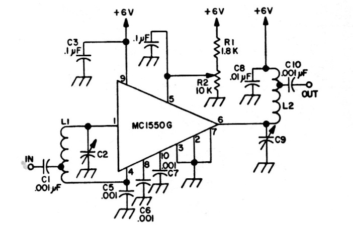
Este circuito de los años 80 utiliza un circuito integrado de la época. El CI es difícil de encontrar hoy y el diagrama original no proporciona información sobre las bobinas.
La simple luz de tiempo tiene muchas de otras Aplicaciones. Cuando se toca en S1, un interruptor de la...
Encontramos esta configuración tradicional de oscilador por puente de Wien en una documentación de Texas...
Una lámpara de neón y algunos componentes de chatarra pueden resultar en un interesante...