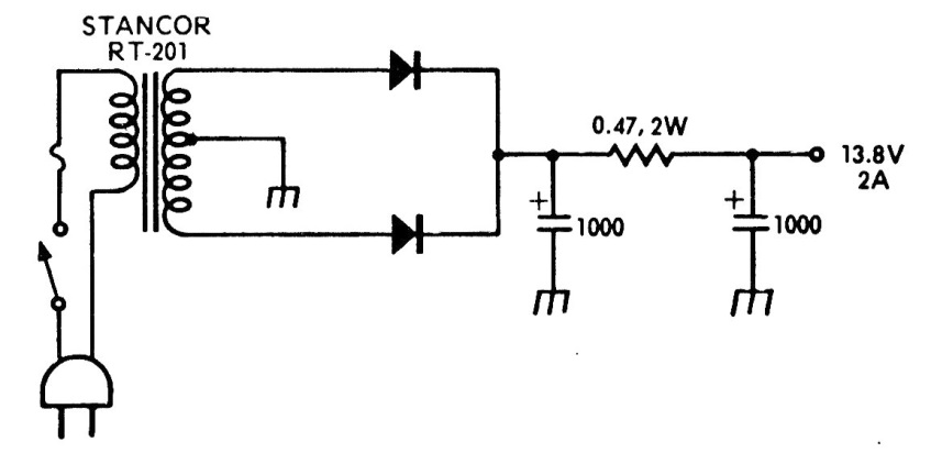
Esta fuente de alimentación de 13 A V con 2 A utiliza un transformador con 12 V de secundario y 2 A de corriente. Los diodos pueden ser 1N5404 o equivalentes para 2 A o más.

 

Fuente de alimentación única de 13 V
Fuente de alimentación única de 13 V | Haga click en la imagen para ampliar |