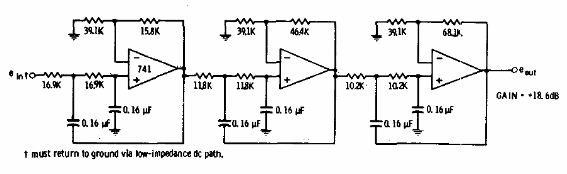
Este circuito originalmente fue diseñado para aplicaciones médicas y experimentos biológicos. El circuito es de una publicación de filtros de 1975. La alimentación debe ser simétrica y los amplificadores operacionales deben ser los 741. El rechazo de frecuencias por encima de 15 Hz es de 30 dB.




