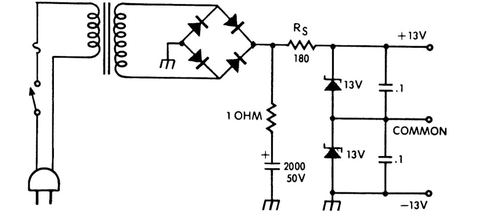
Esta fuente es una variación de la anterior, utilizando dos diodos Zen para estabilizar el voltaje de salida. Los diodos puente pueden ser 1N4002 y el transformador tiene un secundario de 12 V con una corriente de hasta 500 mA.
Esta fuente es una variación de la anterior, utilizando dos diodos Zen para estabilizar el voltaje de salida. Los diodos puente pueden ser 1N4002 y el transformador tiene un secundario de 12 V con una corriente de hasta 500 mA.