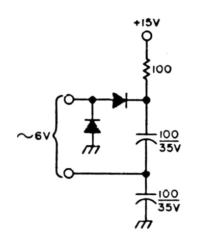
Una tensión de entrada de 6 V rms produce una tensión de salida de 15 V en este circuito duplicador que duplica el valor de tensión pico. La corriente es baja y los diodos pueden ser 1N4002 en esta aplicación. El circuito funciona con otras tensiones.

Dobladora de tensión



