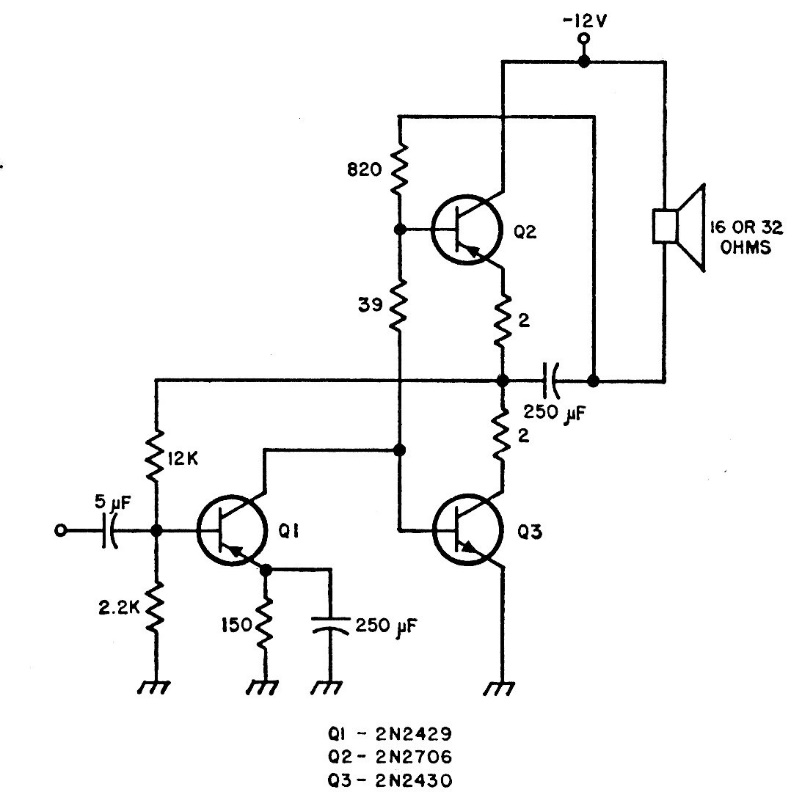
Este circuito es de la documentación de los 70. Los transistores de salida pueden ser BC548 y BC549. El controlador puede ser el BC558. La alimentación se realiza con 12 V. El circuito tiene una respuesta de 15 Hz a 130 kHz.
Este circuito es de la documentación de los 70. Los transistores de salida pueden ser BC548 y BC549. El controlador puede ser el BC558. La alimentación se realiza con 12 V. El circuito tiene una respuesta de 15 Hz a 130 kHz.