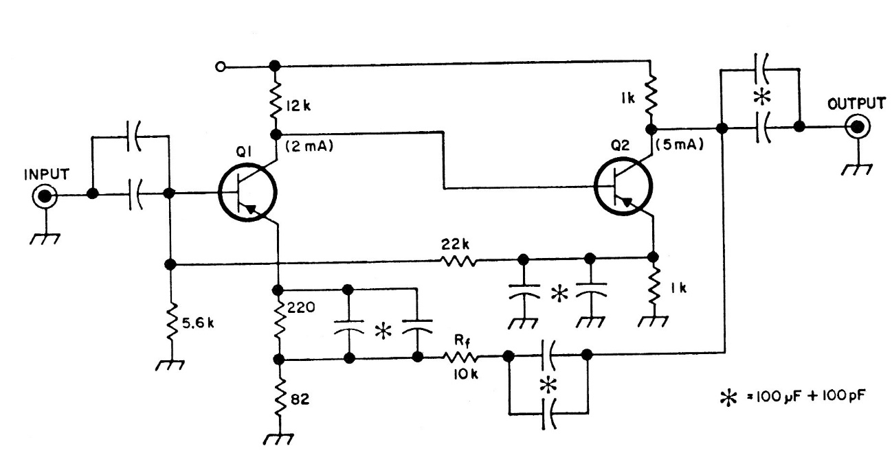
Este amplificador puede amplificar señales de 10 Hz a 17 MHz con más de 30 dB de ganancia. El circuito es de la documentación de 1985 y se pueden usar transistores equivalentes, como 2N2222, ya que los tipos originales ya no se encuentran fácilmente.




