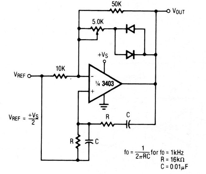
El amplificador operacional de este circuito no es muy común hoy en día, porque eliminamos el circuito de una documentación antigua. Sin embargo, el circuito se puede diseñar sobre la base de amplificadores operacionales modernos.
El amplificador operacional de este circuito no es muy común hoy en día, porque eliminamos el circuito de una documentación antigua. Sin embargo, el circuito se puede diseñar sobre la base de amplificadores operacionales modernos.