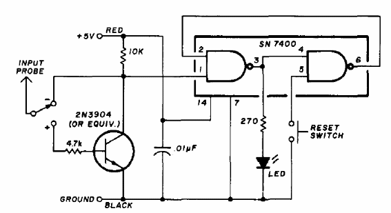
Este circuito es de una documentación de 1977. Es alimentado por la propia tensión del circuito en prueba. El circuito indica los niveles lógicos de los puntos probados. La alimentación debe realizarse con 5 V.

Este circuito es de una documentación de 1977. Es alimentado por la propia tensión del circuito en prueba. El circuito indica los niveles lógicos de los puntos probados. La alimentación debe realizarse con 5 V.
