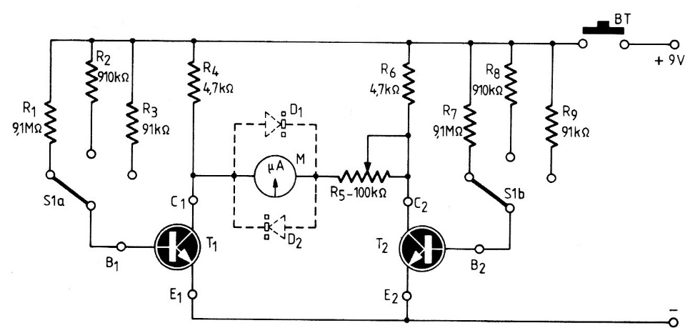
El propósito de este circuito es comparar las ganancias de los transistores para obtener pares emparejados que son importantes en muchas aplicaciones prácticas. El circuito es de la documentación de 1981 y el instrumento indicador de equilibrio puede ser la escala de corriente más baja de un multímetro ordinario.




