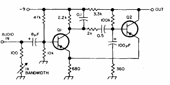
Encontramos este filtro en una documentación para radioaficionados de 1974. Los transistores pueden ser los BC558 y si la alimentación es invertida podemos usar los BC548. Los capacitores determinan la banda, pudiendo ser alterados en un buen rango de valores.




