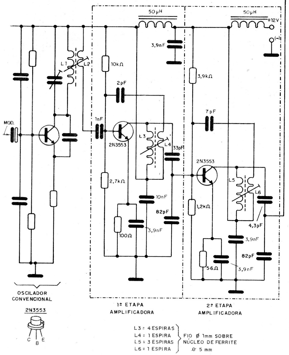
Encontramos este circuito en una publicación de los años 80 sobre espionaje. Los transistores admiten equivalentes modernos y los datos para la construcción de las bobinas se dan al lado del diagrama. El circuito tiene potencia suficiente para que sus señales alcancen los 10 km según el autor.




