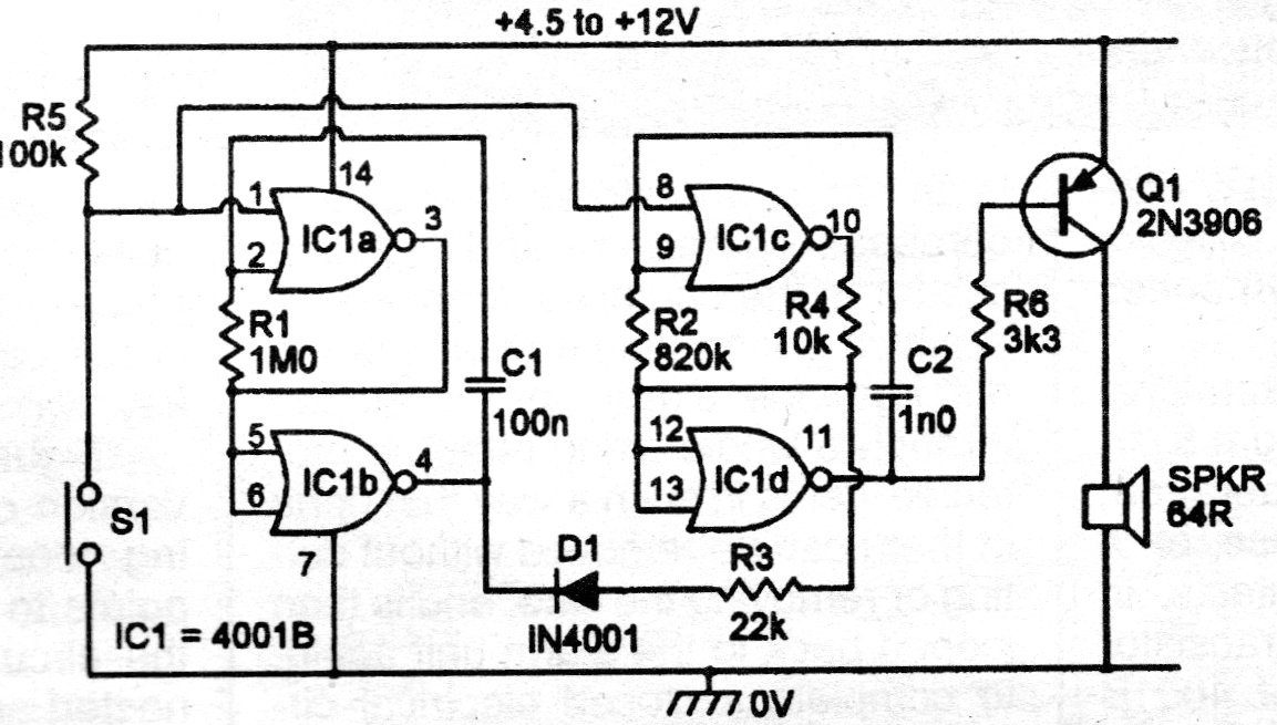
Este circuito genera un tono pulsado cuya frecuencia depende de C2 y cuyo parpadeo depende de C1. El transistor de potencia puede ser el BD136 para voltajes más altos y debe estar equipado con un disipador de calor. El circuito es de documentación estadounidense de los años 90. El circuito se puede utilizar como un shield activado por el pino 1.




