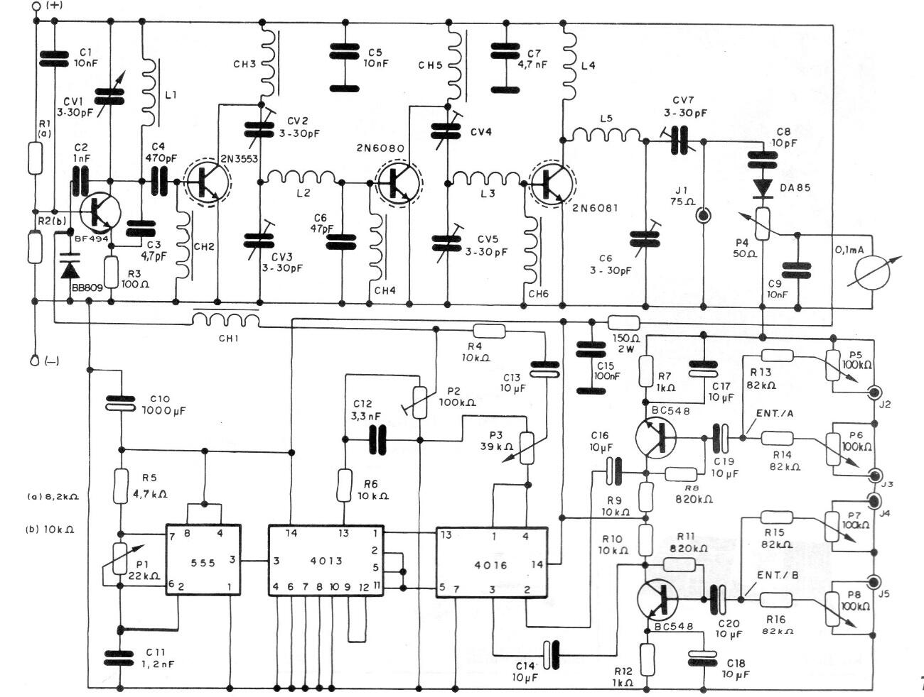
Este circuito se obtuvo en una documentación de 1994. El montaje es muy crítico y el circuito requiere una fuente de alimentación con excelente filtrado o una batería de automóvil de 12 V para la alimentación. Los detalles de las bobinas se dan junto al diagrama. El ajuste principal es el rendimiento de cada etapa realizada en los trimmers y la modulación estéreo realizada en el trimpot. Los transistores de RF deben estar provistos de disipadores de calor. La antena puede ser del tipo plano de tierra.






