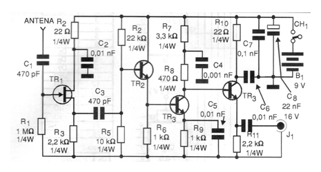
Este amplificador para escuchar señales en el rango de ondas medias a 30 MHz se encontró en una documentación de 1998. El circuito está alimentado por una batería o fuente de 9 V y debe montarse en una caja blindada. El circuito es de tipo aperiódico, es decir, sin sintonía.

Antena activa



