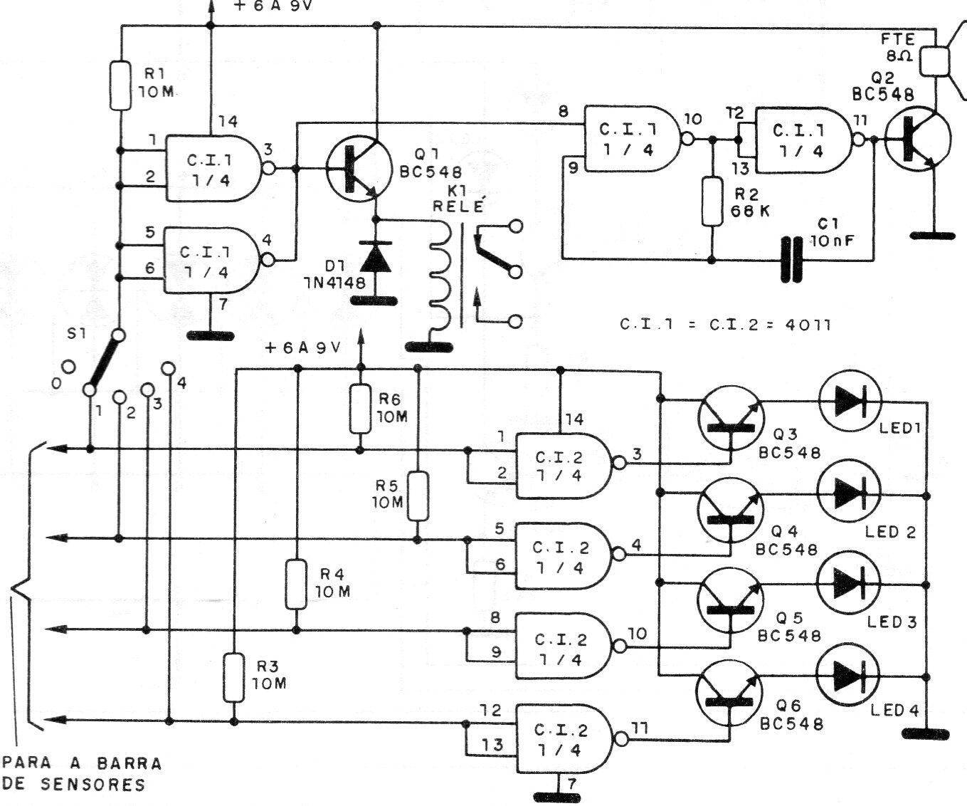
Este circuito tiene una alarma programable que puede activarse con diferentes niveles de agua. El circuito tiene 4 posiciones de advertencia que activan los LED. El circuito no debe ser alimentado por una fuente sin transformador y los sensores constan de barras con extremos desnudos para hacer contacto con el agua. Nunca use una fuente sin un transformador para alimentar este circuito.




