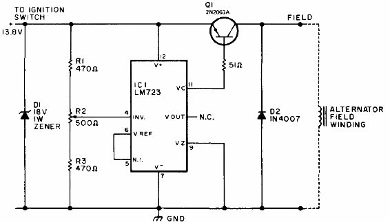
Este circuito es de una documentación de 1977, debiendo ser utilizados transistores equivalentes de alta corriente. El circuito mantiene la tensión de 13,6 V en el circuito, estando conectado al devanado de campo del alternador.

Este circuito es de una documentación de 1977, debiendo ser utilizados transistores equivalentes de alta corriente. El circuito mantiene la tensión de 13,6 V en el circuito, estando conectado al devanado de campo del alternador.
