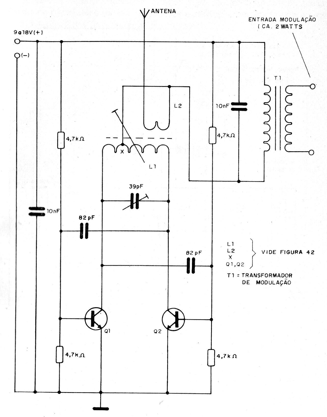
Esta es la versión modulada del circuito transmisor de 2 W anterior (CIR20080S). El circuito tiene un alcance excelente, especialmente si se utiliza una antena adecuada. Los detalles de las bobinas se pueden obtener en el circuito anterior.
Esta es la versión modulada del circuito transmisor de 2 W anterior (CIR20080S). El circuito tiene un alcance excelente, especialmente si se utiliza una antena adecuada. Los detalles de las bobinas se pueden obtener en el circuito anterior.