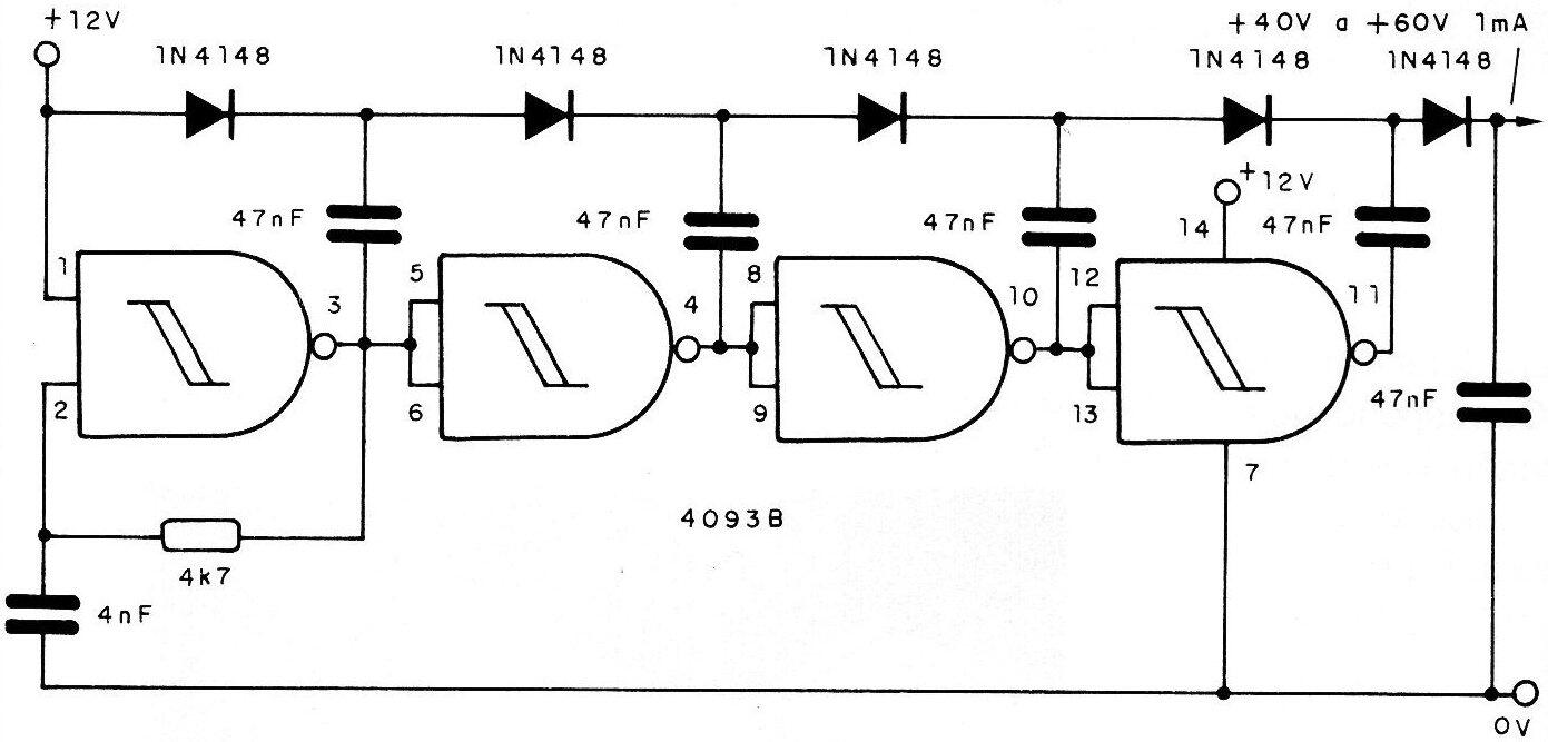
El circuito de la figura genera una alta tensión continua, del orden de 40 a 60V bajo una corriente de 1 mA en 12V. El primer puerto inversor CMOS funciona como un oscilador cuya frecuencia se puede cambiar para obtener el máximo rendimiento. Las siguientes puertas actúan como elementos de conmutación duplicadores de voltaje asociados en cascada. Los valores de los capacitores utilizados determinan la capacidad de corriente del circuito, pero existen límites a su valor, dado precisamente por la corriente máxima que podemos obtener de la salida de cada puerto utilizado. El circuito también opera con otras tensiones y la elevación en la salida es proporcional.




