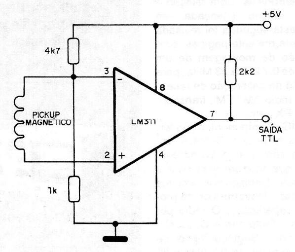
Este circuito, propuesto por Philips Components, usa como base un comparador de voltaje del tipo LM311 para proporcionar una señal con características compatibles con la lógica TTL. El circuito es bastante sencillo y las características del transductor dependen del tipo de señal que se deba detectar, ya que es una función de la aplicación que tengas en mente. La fuente de alimentación no tiene que ser simétrica y los resistores son de 1/8 W.




