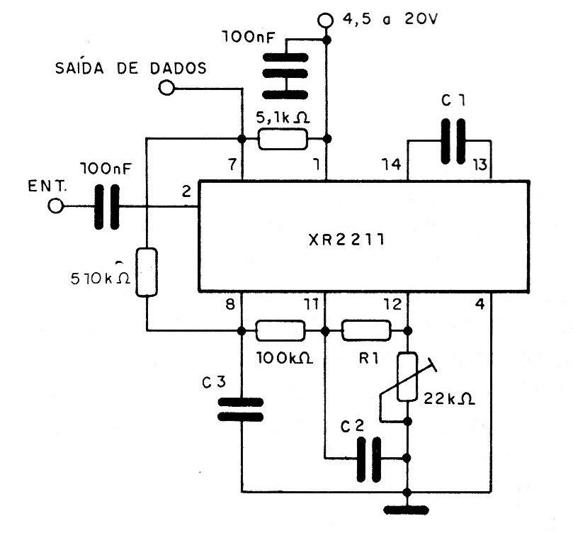
El PLL integrado XFl2211 (Exxar) se utiliza para decodificar los datos transmitidos por los tonos R1, C1, C2 y C3 en función de las frecuencias de los tonos y la velocidad de transmisión según la tabla:
El PLL integrado XFl2211 (Exxar) se utiliza para decodificar los datos transmitidos por los tonos R1, C1, C2 y C3 en función de las frecuencias de los tonos y la velocidad de transmisión según la tabla: