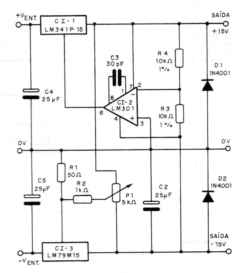
Este circuito es sugerido por National Semiconductor y puede servir como base para una excelente fuente de alimentación simétrica con corriente de hasta 1 ampere. El rendimiento del circuito se muestra en la siguiente tabla. Los resistores R4 y R5 deben tener los valores más cercanos posibles, ya que determinan la simetría de la tensión de la fuente. Se requieren los capacitores C4 y C5 si el capacitor del filtro de la fuente está demasiado lejos de los reguladores de tensión.





