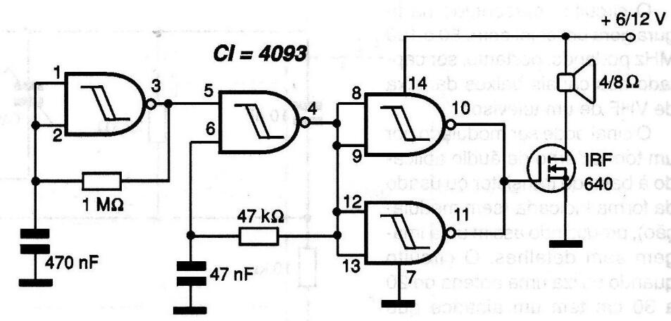
Este circuito está indicado para aplicaciones en alarmas que generan un tono intermitente de alta potencia en un altavoz común. La alimentación se puede realizar con 6 o 12 V y el transistor de potencia admite equivalentes. Este transistor debe montarse en un buen radiador de calor. El parpadeo se puede cambiar cambiando el resistor de 1 M, mientras que el tono generado depende del valor del resistor de 47 k ohms, que también se puede cambiar.




