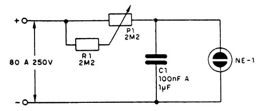
La alimentación debe efectuarse con tensión por encima de 80V y la frecuencia se controla con P1 . El capacitor C1 determina en conjunto con P1 la banda de frecuencias de operación. Con valores bajos de C1 este circuito produce seriales de audio.

La alimentación debe efectuarse con tensión por encima de 80V y la frecuencia se controla con P1 . El capacitor C1 determina en conjunto con P1 la banda de frecuencias de operación. Con valores bajos de C1 este circuito produce seriales de audio.
