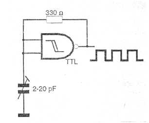
Un disparador TTL NAND es la base de este oscilador que, con los componentes indicados, puede generar señales en el rango de frecuencia indicado. El circuito también se puede diseñar con inversores comunes y la frecuencia máxima se indica para TTL estándar. Para otras familias, se pueden lograr frecuencias más altas, según corresponda.

Oscilador de 100 kHz a 10 MHz



