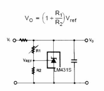
Los reguladores de tipo shunt se conectan en paralelo con la carga, desviando la corriente para comportarse como una resistencia variable y así mantener constante la tensión en el circuito. El circuito que se muestra en la figura es sugerido por Fairchild (www.fairchild.com) y puede drenar corrientes de 1 a 100 mA con un voltaje de salida programable hasta 36 V. La tensión de salida es programada por la red resistiva formada por R1 y R2. El circuito integrado LM431sa se suministra en una caja SOT89. En este circuito, la tensión Vref es de 2,5 V y la impedancia de salida dinámica es de 0,2 ohms.




