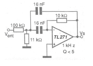
Texas Instruments sugiere el circuito que se muestra en la figura en su Linear Circuits Applications. Es un filtro con un factor Q relativamente bajo, menor que 7. Con los valores de los componentes que se muestran en el diagrama, la frecuencia sintonizada es de 1 kHz. Los capacitores se pueden cambiar para sintonizar otras frecuencias. Los valores mostrados son componentes con bajas tolerancias. Si la aplicación lo permite, se pueden utilizar valores comerciales. La fuente de alimentación es simétrica y operacionales equivalentes, con transistores de efecto de campo en la entrada se pueden utilizar.




