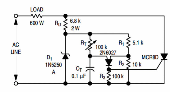
Este circuito es de un manual de tiristores de On Semiconductor. Hace uso de un PUT y un SCR que admite equivalentes, según la potencia del motor. El SCR debe estar equipado con un disipador de calor y el control es de media onda.

Control de media onda de 600 W con SCR



