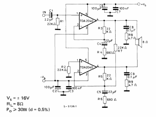
Encontramos este amplificador en el Manual de circuitos integrados lineales SGS de 1982. El circuito debe estar alimentado por una fuente simétrica de 16 V y la carga es de 8 ohms. La placa de circuito impreso se proporciona en la figura junto al diagrama.

Amplificador BTL de 30 W com el TDA2040



