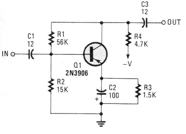
Este es un amplificador para audio de baja intensidad y señales de baja frecuencia. El transistor puede ser un BC558 y la alimentación se realiza con tensiones de 6 a 12 V. Encontramos la configuración en una documentación de los años 80.
Este es un amplificador para audio de baja intensidad y señales de baja frecuencia. El transistor puede ser un BC558 y la alimentación se realiza con tensiones de 6 a 12 V. Encontramos la configuración en una documentación de los años 80.