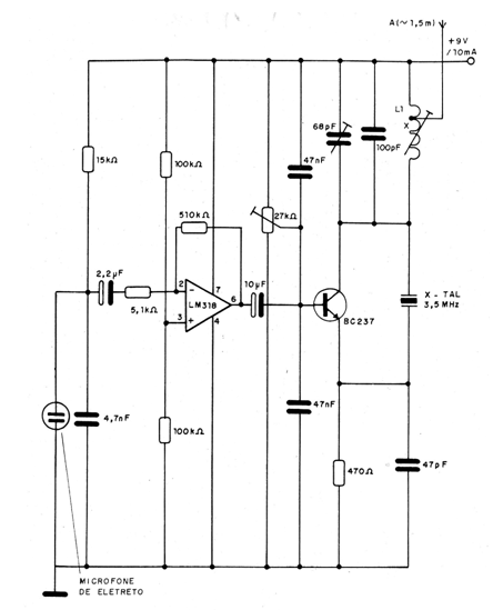
Este transmisor opera en el rango de 80 metros, alrededor de 3,5 MHz, con un valor de frecuencia exacto dado por el cristal. L1 consta de 15 vueltas de alambre 28 en una varilla de ferrita de 0,8 cm de diámetro. El enchufe de la bobina es central. Los capacitores deben ser de cerámica excepto 2,2 uF. La antena debe ser de 1,5 m.

Transmisor de onda corta con XTAL



