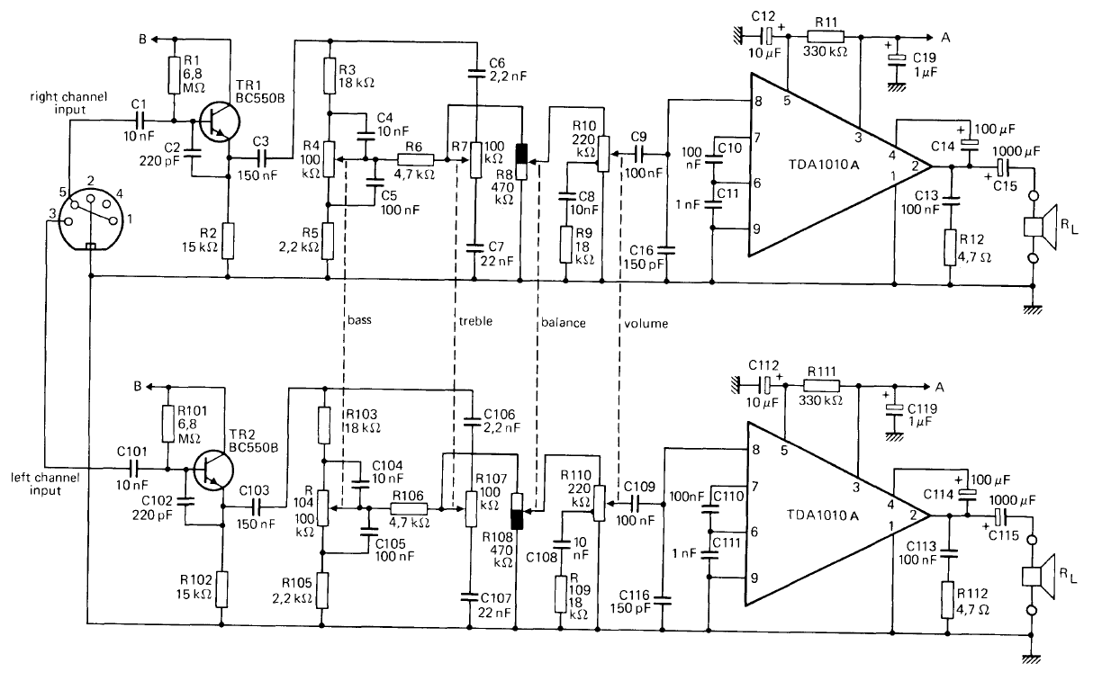
Este circuito proporciona una potencia por canal entre 6 y 10 W dependiendo de la carga. El circuito es del manual de circuitos integrados de Philips de 1990. La fuente de alimentación es de 17 V a 20 V.

 

Amplificador para cápsula de cerámica con TDA1010
Amplificador para cápsula de cerámica con TDA1010 | Haga click en la imagen para ampliar |