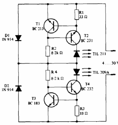
Esta prueba o indicador de polaridad indica la polaridad de una línea de alimentación mediante LED. El circuito es sugerido por el manual de optoelectrónica de Texas Instruments Los transistores pueden ser BC548 y BC558.

Prueba de polaridad
Esta prueba o indicador de polaridad indica la polaridad de una línea de alimentación mediante LED. El circuito es sugerido por el manual de optoelectrónica de Texas Instruments Los transistores pueden ser BC548 y BC558.
